• 工业自动化解决方案
    工业自动化解决方案
  • 管道完整性监测系统
    管道完整性监测系统
  • 数字孪生
    数字孪生
  • MES
    MES
  • 物联网
    物联网
无人值守站场及区域管理

无人值守站场及区域管理

橇装一体化远传监控站

橇装一体化远传监控站

阀室放空操作控制系统

阀室放空操作控制系统

数字化抽油机控制柜

数字化抽油机控制柜

管道完整性监测系统

管道完整性监测系统

数字孪生技术

数字孪生技术

离散行业MES

离散行业MES

油气行业MES

油气行业MES

智慧水利综合解决方案

智慧水利综合解决方案

高空作业安全带智能化远程监测

高空作业安全带智能化远程监测

  • DCS系统
    DCS系统
  • SCADA系统
    SCADA系统
  • 过程控制器
    过程控制器
  • 安全控制器
    安全控制器
  • 工业开发软件
    工业开发软件
DCS系统

DCS系统

SCADA系统

SCADA系统

大中型分布式混合控制器

大中型分布式混合控制器

大中型机架式混合控制器

大中型机架式混合控制器

边缘计算混合控制器

边缘计算混合控制器

中小型一体化混合控制器

中小型一体化混合控制器

安全控制器

安全控制器

工业自动化信息平台(HMI+)

工业自动化信息平台(HMI+)

  • 荣誉资质
    荣誉资质
  • 研发中心
    研发中心
  • 服务体系
    服务体系
企业资质

企业资质

企业荣誉

企业荣誉

知识产权

知识产权

管理体系

管理体系

开发中心

开发中心

长期维保

长期维保

定期维保

定期维保

紧急服务

紧急服务

  • 油气行业上游应用
    油气行业上游应用
  • 油气行业中游应用
    油气行业中游应用
  • 油气行业下游应用
    油气行业下游应用
  • 水务&水处理
    水务&水处理
  • 制造业&其他
    制造业&其他
长庆油田

长庆油田

塔里木油田

塔里木油田

青海油田

青海油田

普光气田

普光气田

国家油气管网

国家油气管网

中俄东线天然气管道项目

中俄东线天然气管道项目

中石油塔里木南疆利民工程

中石油塔里木南疆利民工程

中海油广东大鹏LNG项目

中海油广东大鹏LNG项目

中国燃气项目

中国燃气项目

北京燃气项目

北京燃气项目

成都天府国际机场天然气调压站及内管网工程项目

成都天府国际机场天然气调压站及内管网工程项目

新奥燃气舟山LNG采样系统

新奥燃气舟山LNG采样系统

新疆地下水资源在线监测管理平台

新疆地下水资源在线监测管理平台

北京怀柔备用水源供水控制系统

北京怀柔备用水源供水控制系统

中海油管道涂敷数字化控制技术研究与示范应用

中海油管道涂敷数字化控制技术研究与示范应用

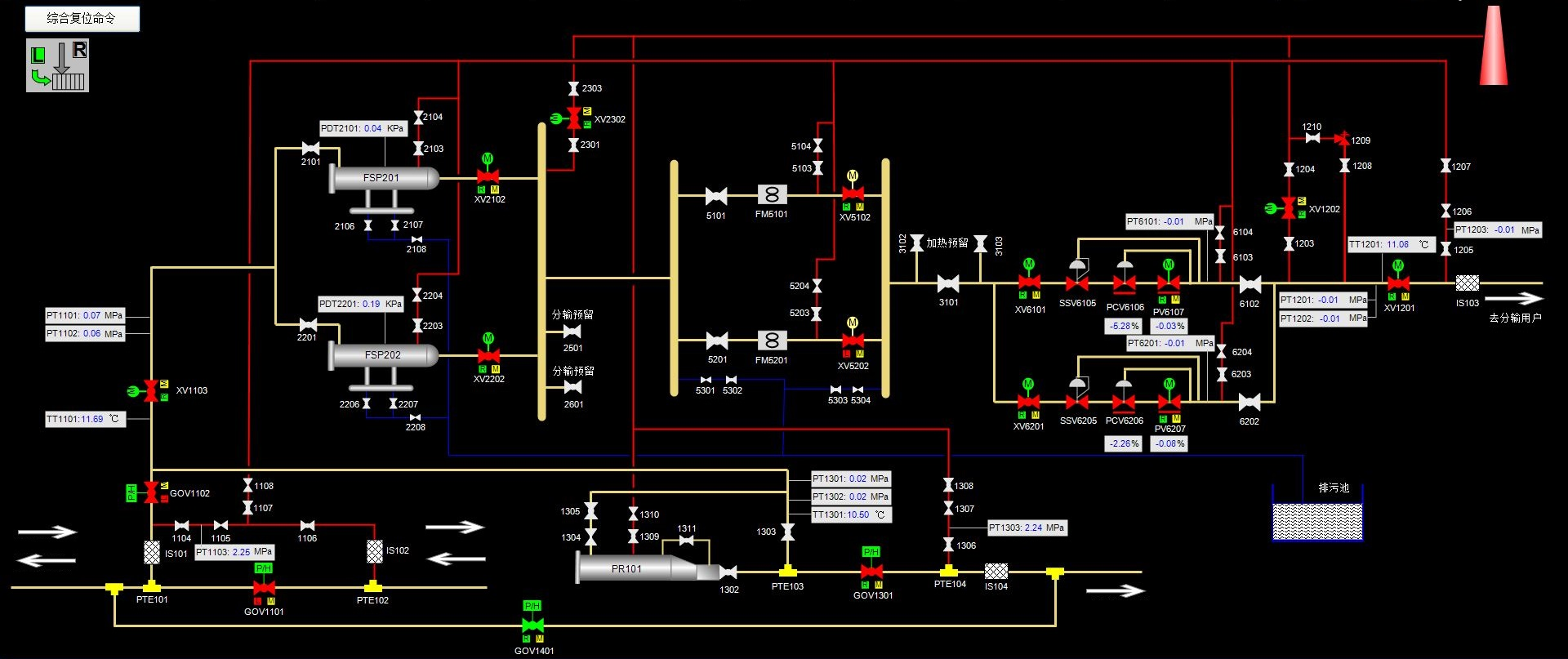
DRESS21C PRO监控平台

DRESS21C PRO监控平台

DRESS21C PRO是根据当前自动化信息化技术的发展趋势,以实现企业生产管控一体化为目标开发的一套基于SCADA系统的信息化综合平台软件,系统支持冗余的服务器结构,包括实时数据服务器、历史数据服务器,可支持百万点数据规模。可采集不同的控制器数据,并且具备GIS功能,同时方便与其他管理系统进行数据交互。通过SCADA软件可以显示实时的资料趋势显示、自动记录资料、历史资料趋势显示、报表的产生与打印、图形接口控制、警报的产生与记录等。

平台功能

统一平台

设备连接与数据采集
数据存储
报警与事件管理
多语言
高级用户二次编程
系统安全

高效HMI

高效人机界面
图形动画3D展示
趋势
历史过程回放
报表/报告
SOE集成

SCADA+

视频集成
GIS融入
大屏多屏 灵活展示
移动监控应用
多种数据交互方式
txt、excel、数据库、电子邮件、短信

structure

数据采集

具有强大的设备通信能力,是物联网、工业互联网的基础,各种类型设备即插即用,支持国际通用协议和厂家自定义协议,完善的通信备份机制:设备冗余、通道冗余
实现毫秒级的高速数据采集,支持内部设备网关,轻松实现不同设备间的数据交换,可通过编程控制IO通道或者设备,支持结构变量和数组变量
structure

可视化展示

画面系统引领SCADA可视化达到一个全新高度,GDI+、WPF图形技术的采用,支持图形模板、画面模板、画面分层,满足复杂画面制作,支持无极缩放、大画面导航、分辨率自适应
支持大屏和多屏显示,界面显示异常灵活,调度指挥、数据中心青睐功能,完全兼容Excel报表,丰富的图表混排,强大的统计分析,媲美专业报表软件
cases

客户案例

塔里木油田
长庆油田
成都天府国际机场天然气调压站及内管网工程项目
湖南省天然气

塔里木油田

项目年份 2004年-2020年
案例介绍 通过发现一系列的优质油气田和大规模的天然气资源,促成并加快了举世瞩目的西气东输工程的建设,形成了现代化的油气生产基地。
了解更多

长庆油田

项目年份 2002年 - 2020年
案例介绍 长庆油田是隶属于中国石油天然气股份有限公司的地区公司,总部位于陕西省西安市,工作区域在鄂尔多斯盆地,是中国石油近年来增长幅度最快的油气田,承担着向北京、天津等十多个大中城市安全稳定供气的重任。
了解更多

成都天府国际机场天然气调压站及内管网工程项目

项目年份 2020年
案例介绍 本燃气工程是成都天府国际机场公用配套工程之一,主要负责为机场各驻场单位提供安全可靠的天然气供应。工程包括成都天府国际机场燃气调压站、气源管道、工作区及航站区燃气管网、能源站燃气专供管道、1#CNG加气站燃气专供管道、调压柜、智慧燃气系统及光纤通信系统建设。
了解更多

湖南省天然气

项目年份 2020年
案例介绍 大湘西天然气管道支干线项目
了解更多